? 公司出水指標數據經現場數據采集儀采集后直接上傳至天津開發區環保局及天津市環境監測中心。天津市環境監測中心直接將接收自公司的上傳數據發送至國家環保部。實現了對我公司出水指標數據的實時在線監控和監督管理。 自2014年,依《國家重點監控企業污染源監督性監測及信息公開辦法(試行)》,主要污染物排放情況經天津市重點企業自行檢測數據發布系統對外公布,主動接受社會公眾監督。 信息發布平臺 2025年第3季度環境信息公開:天津泰達威立雅水務有限公司 公司名稱:天津泰達威立雅水務有限公司 統一社會信用代碼:91120116663055985N 法定代表人:徐寶平 生產地址:天津經濟技術開發區南海路188號 聯系電話:022-62018666 處理規模:10萬m3/日市政污水 生產經營和管理服務的主要內容: 水處理系統工程集成;城市污水處理、工業廢水處理、海水及苦咸水淡化處理;再生水、工業純水、水處理設備銷售;水處理設施運營、管理及相關的設計、咨詢、技術服務。 其他信息: 天津泰達威立雅水務有限公司成立于2007年7月。天津泰達投資控股有限公司與法國通用-威立雅水務集團各持股51%與49%。由天津經濟技術開發區管理委員會公用事業局授權,天津泰達威立雅水務有限公司負責開發區第一污水處理廠及其附屬設施、海晶東雨污水泵站、開發區電鍍廢水處理中心的運營、維護保養及經營。 項目(出水) 平均值(mg/L) A標準(DB12/599-2015) (mg/L) 化驗次數(次) 合格率(%) 我公司排放口數量為一個,位于廠區東南側。處理后出水排入市政專用排污管道,經北排泵站排入渤海灣。2025年7-9月我公司COD、氨氮、總氮、總磷排放總量如下: 148.28 天津泰達威立雅水務有限公司為原天津經濟技術開發區污水處理廠,是天津濱海新區第一座污水處理廠,位于開發區南海路與第十二大街交口處,污水處理項目投資總額3.5534億元人民幣,占地8.1公頃,設計能力為日處理污水10萬m3,其中市政污水的比例高于60%。污水處理工藝目前采用“預處理+SBR+反硝化濾池+臭氧催化高級氧化+紫外消毒”。脫水機房、進水泵房、預處理單元和儲泥池的臭氣經過收集管道收集進入生物過濾塔除臭處理。剩余污泥經脫水機脫水處理,泥餅外運處理。工藝系統由在線儀器儀表輸送到中控室實現自動控制。 出水水質達到天津市《城鎮污水處理廠污染物排放標準》(DB12/599-2015)A排放標準。廠界噪聲均滿足《工業企業廠界噪聲標準》GB12348-2008(3類)晝、夜標準值。廠界無組織排放廢氣中臭氣濃度、氨、硫化氫濃度均符合《惡臭污染物排放標準》(GB12/059-2018)限值要求。 開發區第一污水處理廠現狀主要的大氣影響來自預處理單元(格柵與沉砂池)和污泥區(污泥脫水機房)的惡臭氣體。污泥脫水機房、污泥料倉、三合一泵房等設施產生的臭氣集中收集,儲泥池、預處理單元等采用加罩密閉設計,臭氣集中收集至生物除臭裝置,除臭效率不低于80%,處理后由15米高排氣筒達標排放。根據天津市環保局《關于天津開發區第一污水處理廠改造工程環境影響報告書的批復》,開發區第一污水處理廠的衛生防護距離設為100m。 污水廠廢氣監測結果表明,廠區周界監測點位臭氣濃度均低于20(無量綱),符合《惡臭污染物排放標準(GB12/059-2018)的標準要求。 開發區第一污水處理廠污水經處理后達到天津市《城鎮污水處理廠污染物排放標準》(DB12/599-2015)A排放標準要求。污水處理廠工藝過程本身沒有生產性廢水排放,所排污水主要為生活污水和污泥處理水,這部分廢水一同返回本污水處理廠的進水泵房,與市政污水一并處理。2025年7-9月出水達標率為100%,無超標情況。 開發區第一污水處理廠主要的噪聲設備為鼓風機,鼓風機位于鼓風機房,并設置隔音減震措施,其噪聲影響甚微。 監測結果:廠界噪聲共設置4個噪聲監測點,執行《工業企業廠界環境噪聲排放標準》(GB12348-2008)3類標準,根據監測結果,各廠界處噪聲均符合執行標準要求。 污水廠運行過程中產生的固體廢棄物主要為柵渣、沉砂、污泥及生活垃圾。生活垃圾和柵渣交由開發區環衛綜合服務公司清運處理;產生的脫水污泥委托天津恒基環境工程有限公司和天津萬德生物工程有限公司進行資源化、無害化、減量化處理。 編 號 名 稱 發 布 單 位 批號 時 間 1 《關于天津經濟技術開發區10萬噸/日污水處理廠項目環境影響報告書的批復》 天津市環境保護局 津環保管 (1998)第43號 1998.2.18 2 《關于天津開發區污水處理廠改造工程環境影響報告表的批復》 天津經濟技術開發區 環境保護局 津開環評 【2008】198號 2008.12.8 3 《天津經濟技術開發區環境保護局關于天津經濟技術開發區第一污水處理廠提標改造工程環境影響報告書的批復》 天津經濟技術開發區 環境保護局 津開環評書 【2017】18號 2017.8.30 我公司根據《中華人民共和國環境保護法》以及《天津市突發事件總體應急預案》等相關文件要求,于2019年1月編制(修訂)完成了《天津泰達威立雅水務有限公司突發環境事件應急預案》,于2022年7月19日完成變更備案并發布(備案編號:120116-KF-2022-117-L)。 天津泰達威立雅水務有限公司 2025年10月13日 
















1.基礎信息
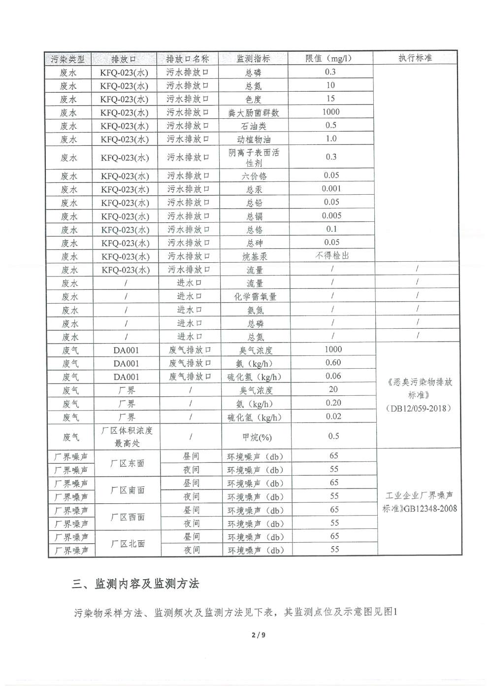
2.排污信息
PH 6.83 6-9 92 100 COD 17.49 30 92 100 BOD5 2.29 6 92 100 SS 2.49 5 92 100 TP 0.15 0.3 92 100 TN 6.21 10 92 100 NH4-N 0.30 1.5(3.0) 92 100 色度 2.00 15 92 100 糞大腸菌群 48.43 1000 92 100 石油類 0.030 0.5 3 100 動植物油 0.060 1.0 3 100 陰離子表面活性劑 0.214 0.3 3 100 六價鉻 0.002 0.05 1 100 總鉻 0.015 0.1 1 100 總鎘 0.00221 0.005 1 100 總砷 0.0018 0.05 1 100 總鉛 0.004 0.05 1 100 總汞 0.0038 0.001 1 100 出水達標率100% 2025年3季度 排放量(噸) 1 化學需氧量 2 氨氮(NH3-N) 2.54 3 總氮(以N計) 52.65 4 總磷(以P計) 1.27 3.防治污染設施的建設和運行情況
大氣污染防治措施
水污染防治措施
噪聲防治措施
固體廢物處置措施
4.環境保護行政許可情況
5.突發事件環境應急預案













Copyright TEDA Veolia Water Co., Ltd. All Rights Reserved
版權所有 天津泰達威立雅水務有限公司 技術支持:天津國資云科技有限公司?